温州柏宏品牌设计有限公司  |  一站式立体化品牌传播解决方案
品牌形象VI设计 | 品牌年度传播 | 全案服务 | 设计咨询 0577-57883933 | 手机 13656517477
案例 简介 服务 联系 品牌 动态

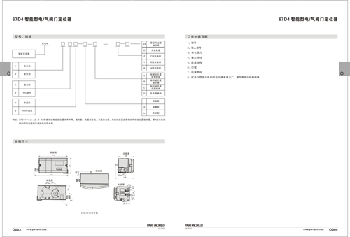
品牌形象VI设计-阀门执行机构画册样本设计

服务客户:派沃自控
服务项目:阀门系列画册设计


























 




浙ICP备16006979号